传世调味 百年J6国际
项目名称:J6国际污染源自动监控设施验收
单位地点:广东省鹤山市古劳镇麦水工业区3号
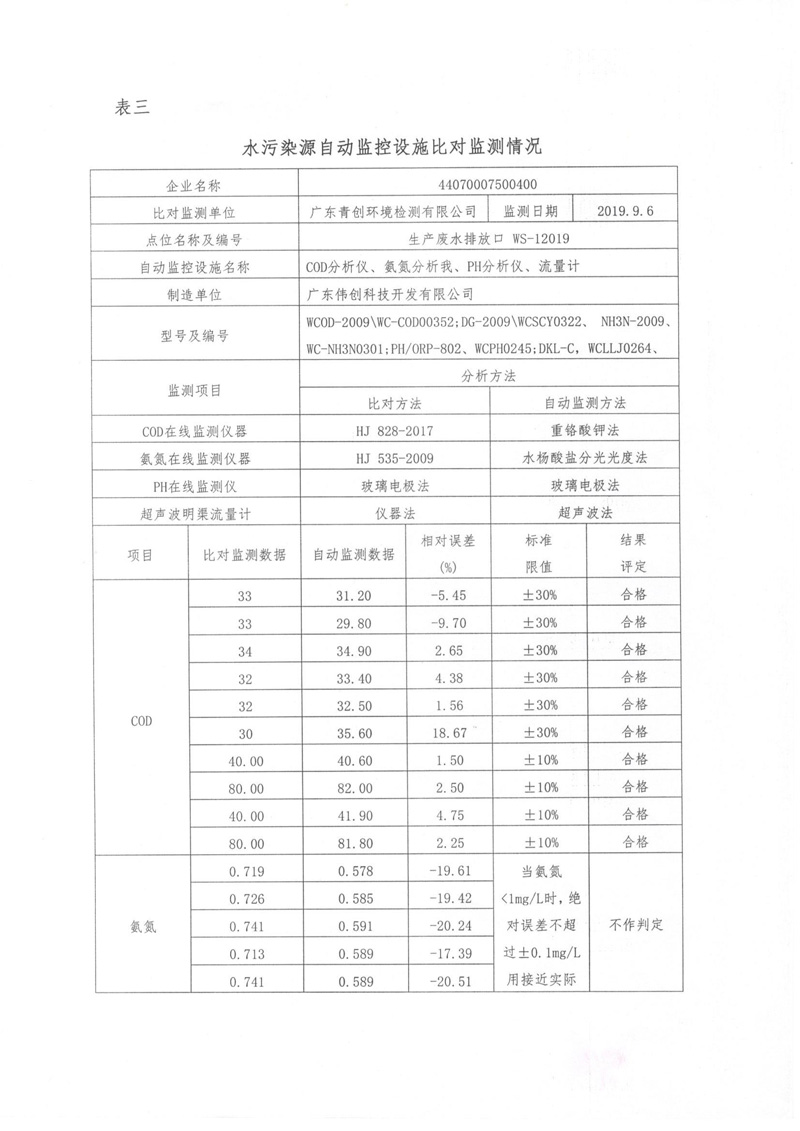
公示内容:污染源自动监控设施验收表(包括基本情形表/联网情形表/比对监测情形表/验收组成员名单/现场验收表/验收意见)
公示时间:自公示起20个事情日
公众意见投递:公示时代若公众在查阅本污染源自动监控设施验收表时,对本验收表有疑问或者意见,请以书面形式反响,小我私家须署真实姓名,单位须加盖公章
联系人:宋先生
联系电话:0750-8773169








